先週雨天で順延になった新リンクのライン引きですが、
今週末日曜日 8:30~ 行われます。
水曜日に修大と久保運送を中心としたボランティアメンバーで


レッドとブルーラインは引かれましたので
今週末の作業は
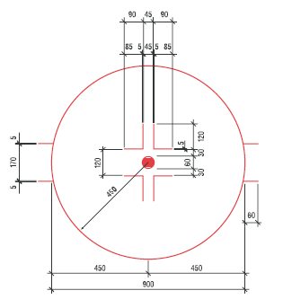
サークル、フェイスオフスポット、ゴールクリーズ、その他細かなラインの描画
と
フェンス下部(キックボード:黄色い部分)と、フェンス手すりの塗装です。
シンナーを使わない水性アクリル塗料なので、臭いがダメな人もOKですよ。
こんなの描きます

◎ 2013.06.09(日) おしらせ
インラインホッケー練習場(新リンク ) ライン引きボランティア 8:30~
http://hihl.ath.cx/hockey/Fx/HIHL05.aspx?code=15248
By HIHL ( 2013/06/06 06:06) No:2269
この記事にコメントする 引用してコメントする(返信)
この記事に対するコメント一覧